T1類交流浪涌保護器
首頁 > 產品中心 > 電源防雷產品 > T1類交流浪涌保護器 >
15kA一級浪涌保護器 Iimp≥12.5kA Up≤2.5kV 4P 2P 3P T1級SPD
品牌:ZVD/中為
產地:深圳
廠家:廣東中為智能防雷技術有限公司
名稱:一級浪涌保護器
型號:ACM-T1-BC(15kA 4P)
ACM-T1-BC(15kA 3P)
ACM-T1-BC(15kA 2P)
主要參數:
最大持續工作電壓Uc:385VAC
沖擊電流 limp(10/350μs):15kA
標稱放電電流In(8/20μs):15kA
保護水平Up:1.5kV
組合方式:2P/3P/4P可選
資質認證:CE、ROHS、型式檢測報告、太平洋產品險等
產品詳情
產品概述:
ACM-T1-BC系列產品為T1(10/350μs)試驗一級浪涌保護器,滿足國標對一級防雷的要求。主要用于交流配電系統第一級雷電浪涌過電壓防護,用于保護電氣電子設備免受雷電電磁脈沖感應電壓、操作瞬態和諧振(<100μs)過電壓的影響。廣泛應用于通信設備、電力、安防、交通、工控等領域電源保護。
一級浪涌保護器結構選型說明:
4P結構用于TN-S及TT供電系統
3P結構用于TN-C及IT供電系統
2P結構用于單相供電系統
配套后備保護器:
型號:ZVSCB-T1-15(4P/3P/2P可選)
產品詳情可以點擊查看:http://m.kaiyuanfeather.com.cn/scb/081863.html
詳細參數:
產品樣本只涉及代表性產品,如需定制產品規格及參數,請來電咨詢

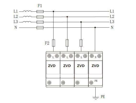
產品接線圖(以4P為例):

安裝說明:
15kA一級浪涌保護器需安裝在防水環境以及無劇烈震動場所;
確保浪涌保護器最大持續工作電壓滿足實際使用要求;
連接浪涌保護器的電線應盡可能短而直,接線總長度宜控制在0.5米以內,不要出現急彎或環路;
先裝地線,再安裝其它導線,上電前應檢查線纜與接線端子之間的連接是否牢固,接地是否可靠;
SPD前端應串接后備保護熔斷器F2,F2的額定電流值不應大于主線路熔斷器F1以及SPD最大后備保護熔斷器的額定電流值 ;
廣東中為智能防雷技術有限公司
